Information

企业信息

公司名称:杭州鼎族传动设备有限公司

法人代表:周彬

注册地址:杭州市萧山区新湾街道共建村

所属行业:通用设备制造业

更多行业:机械零部件加工,通用零部件制造,通用设备制造业,制造业

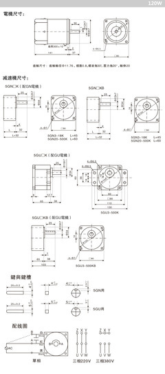
经营范围:制造,加工:减速机,升降设备,换向器,联轴器,传动设备及配件**

PRODUCT

产品列表

INTRODUCTION

企业简介

杭州鼎族传动设备有限公司成立于2010年05月04日,注册地位于杭州市萧山区新湾街道共建村,法定代表人为周彬。经营范围包括制造,加工:减速机,升降设备,换向器,联轴器,传动设备及配件**

泸州WPS50减速机今日价格及升降设备应用

Contact

联系我们

电话:1396768**

邮箱:13967188d**[email protected]

网址:www.hz-d-zoom.com

地址:杭州市萧山区新湾街道共建村

访客留言